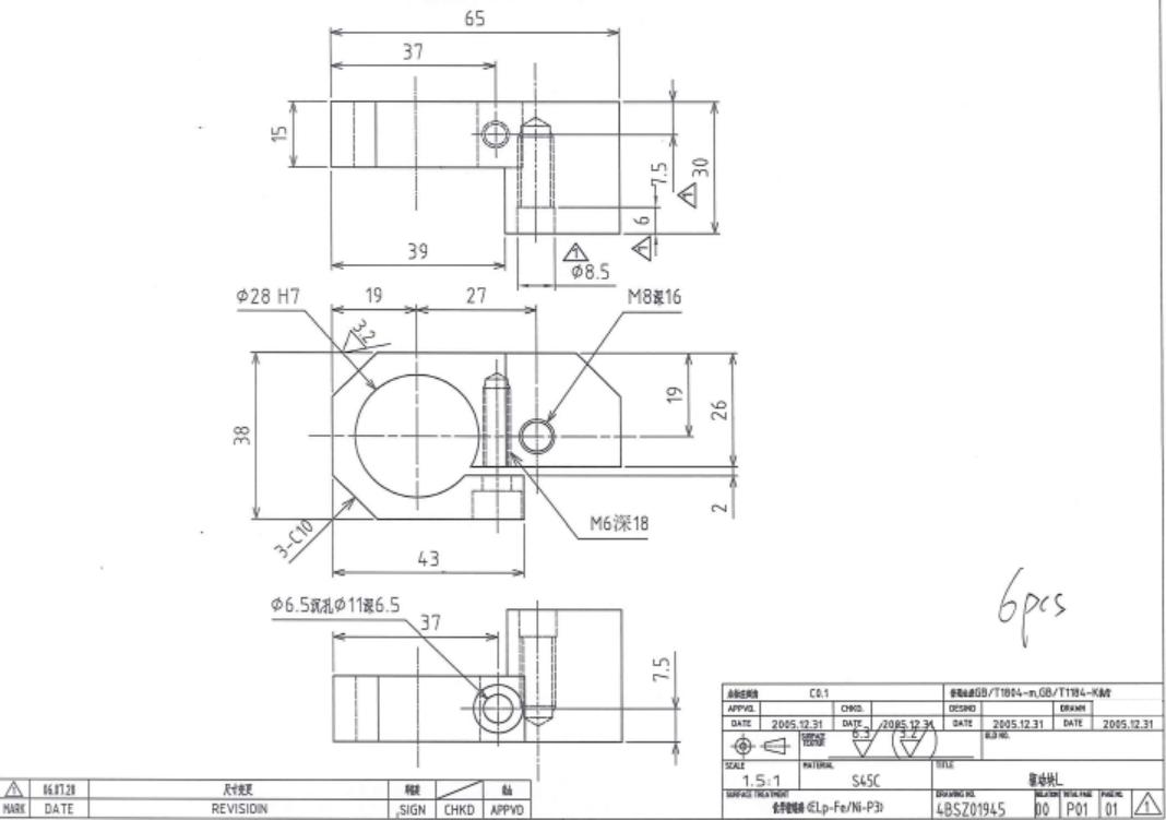
| 分類 | 金屬零部件 |
| 品名 | 驅動塊 |
| 材質 | S45C |
| 尺寸 | 65×38×30 |
| 熱處理 | 無 |
| 表面處理 | 沉鎳 |

| 加工精度 | 精孔0~+0.021 |
| 交貨時間 | 7天 |
| 加工應用范圍 | 設備驅動模塊 |
| 加工工藝 | 銑床加工?線切割加工 |
| 材料選擇 | S45C具有優良的機械性能和加工性能。S45C是一種中碳鋼,屬于JIS(日本工業標準)系列鋼材,具有良好的綜合性能,包括高強度和良好的韌性。這些性能使得S45C能夠承受較大的負荷和沖擊,因此非常適合用于制造需要傳遞扭矩和旋轉運動的部件,比如驅動塊。此外,S45C的切削性也較好,易于加工成各種形狀和尺寸,這有助于滿足驅動塊等機械零件在設計和制造過程中的各種需求。同時,通過適當的熱處理,可以進一步提高S45C的硬度和耐磨性,從而延長驅動塊的使用壽命。 |